首页
走进GYOK
公司简介
公司环境
企业文化
生产设备
新闻资讯
产品
通用型电感式接近传感器
电容式接近传感器
耐高压电感式传感器
齿轮测速传感器
断丝传感器
磁性传感器
光电传感器
位移传感器
压力传感器
霍尔传感器
模拟传感器
智能编码器
热金属检测器
接插电缆及插头
反光器
其它
产品运用
企业资质
联系我们
首页
走进GYOK
公司简介
公司环境
企业文化
生产设备
新闻资讯
产品
通用型电感式接近传感器
电容式接近传感器
耐高压电感式传感器
齿轮测速传感器
断丝传感器
磁性传感器
光电传感器
位移传感器
压力传感器
霍尔传感器
模拟传感器
智能编码器
热金属检测器
接插电缆及插头
反光器
其它
产品运用
企业资质
联系我们
首页
>
产品中心
>
热金属检测器
GAHCF光导纤维型热金属检测器
返回产品列表
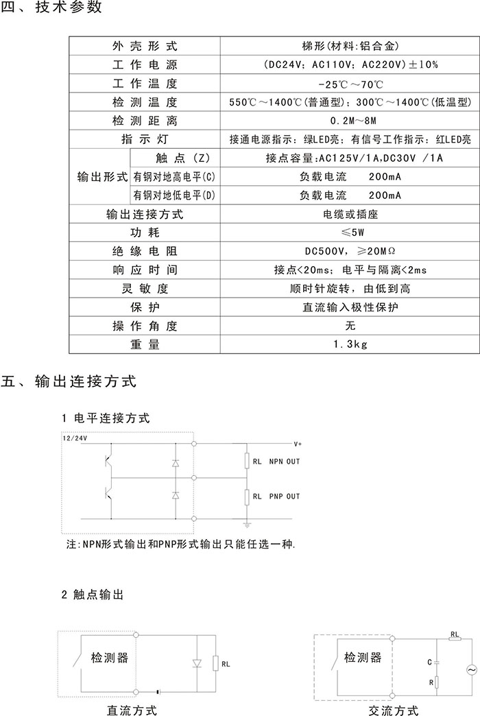
技术参数